

上海诚卫仪器科技有限公司
联系人:刘经理
联系方式:13310112765
联系方式:13671892469
公司地址:上海市奉贤区望园南路1588号
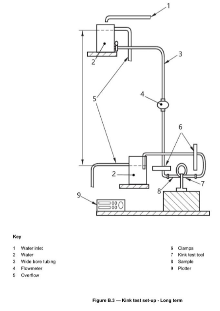
导管单腔导管医用管扭结测试(长期扭结)
原理:
测试长期使用(>1h)的医用导管扭结力的测试方法,扭结长度以流过相同长度的水平直管的流量为50%或更少的环的周长来测量符合 EN 13868-2002 ISO20698:2018 7.2 Catheter kinking test
技术指标:
1、恒压静水头 :200-1000mm (可调节)精度: ±2mm
2. 弯曲夹具:1套(标配)客户可根据导管直径定制
3.恒温水浴:控制范围:0-99℃ 精度±1℃
4.流量计:0.3-6L/min
5. 控制系统:PLC
6. 触摸屏:彩色7寸触摸屏,中英文切换;
7. 数据保存:USB导出
8. 内置嵌入式打印机
机器电源:
1、电压 220V 50HZ
2、电流 2A
3、测试功率0.55KW
4 恒温水浴功率:AC220V 2KW/ 10A ;
温度调节 :室温-99℃
5、电路保护系统:接地保护、快速保险
配置清单:
主机一台,恒温水浴一套、扳手一把,电源线一根,说明书/合格证/保修卡/铭牌一套。

上海诚卫仪器科技有限公司致力于提供材料测试方面的实验室整体解决方案,广泛服务于纤检、质检、商检、科研院所等企事业单位及各类实验室。
我们的产品有:鲁尔圆锥接头多功能测试仪、织物摩擦电荷量测试仪、皮肤缝合针弹性韧性测试仪、口罩细菌过滤效率测试仪、静电衰减测试仪、百格十字刮擦测试仪、热阻湿阻测试仪、强力机等三百多款产品涵盖二十多个系列。
公司以行业高素质的技术人才为根本,以的科学技术为依托,同时与国内大院校、科研院所、生产厂家密切合作。我们自创办以来直以"科技兴企,创新求实,客户至上,真诚待人,踏实做事!"为经营方针,我们直愿做客户好的合作伙伴,给伙伴提供优质的产品,贴心的服务是永远的追求!感谢八方朋友的一路相伴而行,希望有更多的朋友加入我们,让我们共同发展壮大!
昨天我们披荆斩棘,崭露头角,今天我们精诚奉献,视企业发展为己任;明天我们定会缔造辉煌,与您共创双赢!
上海诚卫仪器科技有限公司
联系人:刘经理
联系方式:13310112765
联系方式:13671892469
公司地址:上海市奉贤区望园南路1588号