

上海诚卫仪器科技有限公司
联系人:刘经理
联系方式:13310112765
联系方式:13671892469
公司地址:上海市奉贤区望园南路1588号
导丝峰值拉力测试仪
一、核心结构以及特点
核心结构:
(1)力学加载系统
加力装置:通过机械或电动系统施加轴向拉力,模拟导丝临床受力状态
加载速率:标准10mm/min(符合YY0450.1-2020要求)
行程范围:满足高变形率材料测试。
(2)智能传感与控制系统
高精度力值传感器实时采集拉力数据,生成力-位移曲线并自动标记峰值点。
集成可编程控制器PLC系统及7寸触摸屏,支持中英文操作界面及参数自定义(如规格、载荷、速率)。
(3)专用夹具系统
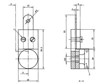
楔形开口夹具:固定导丝末端,确保仅对测试段施力。
气动夹具:橡胶贴面设计,夹持导丝近中点位置,夹持点距楔形夹具≥150mm。
产品特点
优点 | 集成化操作系统,触摸屏按键设置,一键启动,自动监测,测试结束自动生成结果,一台设备满足多项测试,测试稳定,数据安全可靠 |
核心竞争力 | 操作简单方便,设备故障率低,使用国内或进口先进检测元件,整机操作顺畅,误差小,使用年限长 |
数据显示 | 实时显示当前力值、设定力值、测试时间、移动速率等 自动判断试样合格/不合格,并显示、报警 内置大容量存储器,可存储不少于1000组测试数据(数据一般保留7天会被覆盖) 配备USB接口,可导出测试数据;可选配RS232接口连接电脑打印机 |
结构特点 | 通电就可以使用,简单快捷 |
二、满足标准
标准号 | 名称 |
YY0450.1-2020 | 一次性使用无菌血管内导管辅件 |
三、关键参数
参数项 | 规格 |
控制系统 | 工业级PLC |
操作界面 | 彩色7寸触摸屏,支持中英文菜单切换、实时动态显示及数据存储 |
操作方式 | 全触控操作,可设置、调用、修改测试程序 |
打印机 | 嵌入式打印机 |
透明亚克力水槽 | 可观察实际测试现状 |
拉力夹具 | 304不锈钢夹具,浸泡水中,水温0-37° |
标配恒温水槽 | 室温-100℃ |
公称规格 | 根据客户要求 |
拉力范围 | 1-30N,精度:±0.05%FS(可定制其他精度) |
拉力速率 | 0-10mm/min可在触摸屏上任意设置速度 |
设定时间 | 1s~60min(客户任意设置),精度:0.2s |
拉力起始距离 | 150mm以上(可调) |
安全配置 | 急停按钮,过载保护 |
尺寸重量 | 约440×300×1260(mm) 约重70kg |
电源电压 | AC220V 50Hz |
自制软件,实时监测,可USB导出结果,可连接电脑 | |
四、计量要求以及测试项介绍
标准号 | 建议计量内容 | 建议计量点 |
YY0450.1-2020 | 拉力范围:1-30N | 标准要求拉力范围10N,建议计量10N |
峰值拉力 | 应对导丝上会导致失效的关键连接处的峰值拉力进行评价。任何体外的连接都无须进行所列的拉伸试验。对每个试验段施加拉力直至发生失效。 | |
五、满足标准其他测试项的仪器(完整资料可咨询销售)
YY 0450.1-2020附录D | 导管鞘压力下液体泄漏测试仪 |
|
YY 0450.1-2020附录E | 导管鞘止血阀液体泄漏测试仪 | |
YY 0450.1-2020附录F | 导管导丝破裂测试夹具 |
|
YY 0450.1-2020附录G | 导丝抗弯曲破坏测试夹具 |
|
YY 0450.1-2020附录H | 导丝峰值拉力测试仪 |
|
YY 0450.1-2020附录I | 针座和针管连接强度测试仪 |
|
六、标配物品以及用途
名称 | 数量 | 用途 | 参考图 |
主机
| 1台 | 设备整机发货,无需安装 |
|
电源线 | 1根 | 设备连接插座使用 | / |
说明书 | 1份 | 介绍设备使用方法以及保养等注意事项 | / |
操作视频(电子版) | 1份 | 手把手指导操作流程,学习更方便 | / |
合格证及保修卡 | 1份 | 出厂质检,质保服务 | / |
铭牌 | 1个 | 记录设备整体信息 | / |
恒温槽(501A室温-100度) | 1个 | / |
七、标准化测试流程
1、原理
应对导丝上会导致失效的关键连接处的峰值拉力进行评价。任何体外的连接都无须进行所列的拉伸试验。对每个试验段施加拉力直至发生失效。
2、仪器
2.1拉伸试验装置,能施加 10N的力。
2.2楔形开口夹具,如图H.1所示结构,或其他结构。
2.3橡胶贴面气动夹具,或其他夹具。
3、程序
3.1从供试器械上选取一个试验段。关键连接处包含在试验段内。
3.2 将楔形开口夹具(2.2)连接到拉伸试验装置(2.1)的移动夹头上,将气动夹具连接到拉伸试验装置的固定夹头上。
3.3 把导丝的一端固定在楔形开口夹具上,确保夹具只对末端加力,在导丝近中点位置将其夹紧在气动夹具中,确保夹紧点离楔形开口夹具至少150mm。
3.4 以10mm/min的速度施加拉伸力,直到发生失效。
4、试验报告
试验报告应包括下列信息:
导丝的识别;
峰值拉力,以牛顿表示;
c)失效的位置。
八、应用场景与行业需求
使用单位 | 产品性能 |
医疗器械生产质检 | 出厂前的性能验证,确保符合标准 |
第三方检测机构 | 用于产品认证,提供权威合规报告 |
科研机构 | 用于产品升级,满足医疗行业对产品的需求 |
九、使用注意事项
质量控制 | 批量验证符合YY0450.1-2020标准,确保峰值拉力≥10N并生成合格率报告,机载打印机输出原始数据。 |
校准维护 | 每日用标准砝码校验力值精度(误差≤±1%),定期检查位移传感器±0.5%偏差。 |
预处理 | 保持试样整洁干净,无缺陷 |
数据有效性 | 仅记录非装夹区的失效数据,同批次不合格率超限需报废。 |
安全防护 | 过载自动断电、传感自我保护功能防止设备损伤。 |
十、质保售后
安装调试 | 公司可在买方准备好设备所需外部条件(如水,电等)后,负责该设备的安装、调试、启动工作,并提供良好的技术支持和售后服务,同时对使用人员进行培训,保证受训人员能够独立、熟练操作设备和完成简单的维修工作、设备日常维护等工作。 |
保修 | 设备保修期为1年,易耗品、天灾人员为损坏除外,保修期内,卖方负责该设备由于设备自身原因而引起的各种故障问题并负责无偿解决。在保修期外,该设备的维修工作要收取备品备件的成本费用和一定的服务费用。 |
维修反应时间 | 卖方在接到买方的故障通知后,保证在2小时内做出响应,并争取在最短的时间内尽快排除故障 |
终身服务 | 卖方承诺在该设备的使用期间,可无偿、无限期地提供该设备的技术支持工作。 |

上海诚卫仪器科技有限公司致力于提供材料测试方面的实验室整体解决方案,广泛服务于纤检、质检、商检、科研院所等企事业单位及各类实验室。
我们的产品有:鲁尔圆锥接头多功能测试仪、织物摩擦电荷量测试仪、皮肤缝合针弹性韧性测试仪、口罩细菌过滤效率测试仪、静电衰减测试仪、百格十字刮擦测试仪、热阻湿阻测试仪、强力机等三百多款产品涵盖二十多个系列。
公司以行业高素质的技术人才为根本,以的科学技术为依托,同时与国内大院校、科研院所、生产厂家密切合作。我们自创办以来直以"科技兴企,创新求实,客户至上,真诚待人,踏实做事!"为经营方针,我们直愿做客户好的合作伙伴,给伙伴提供优质的产品,贴心的服务是永远的追求!感谢八方朋友的一路相伴而行,希望有更多的朋友加入我们,让我们共同发展壮大!
昨天我们披荆斩棘,崭露头角,今天我们精诚奉献,视企业发展为己任;明天我们定会缔造辉煌,与您共创双赢!
上海诚卫仪器科技有限公司
联系人:刘经理
联系方式:13310112765
联系方式:13671892469
公司地址:上海市奉贤区望园南路1588号